CSG(CSF)型谐波减速器轴承
谐波减速器轴承包括刚性轴承和柔性轴承两大类型,刚性轴承包含四种系列,CSG系列、SHG系列,其命名方式采用减速器的命名;柔性轴承的命名为HYR。
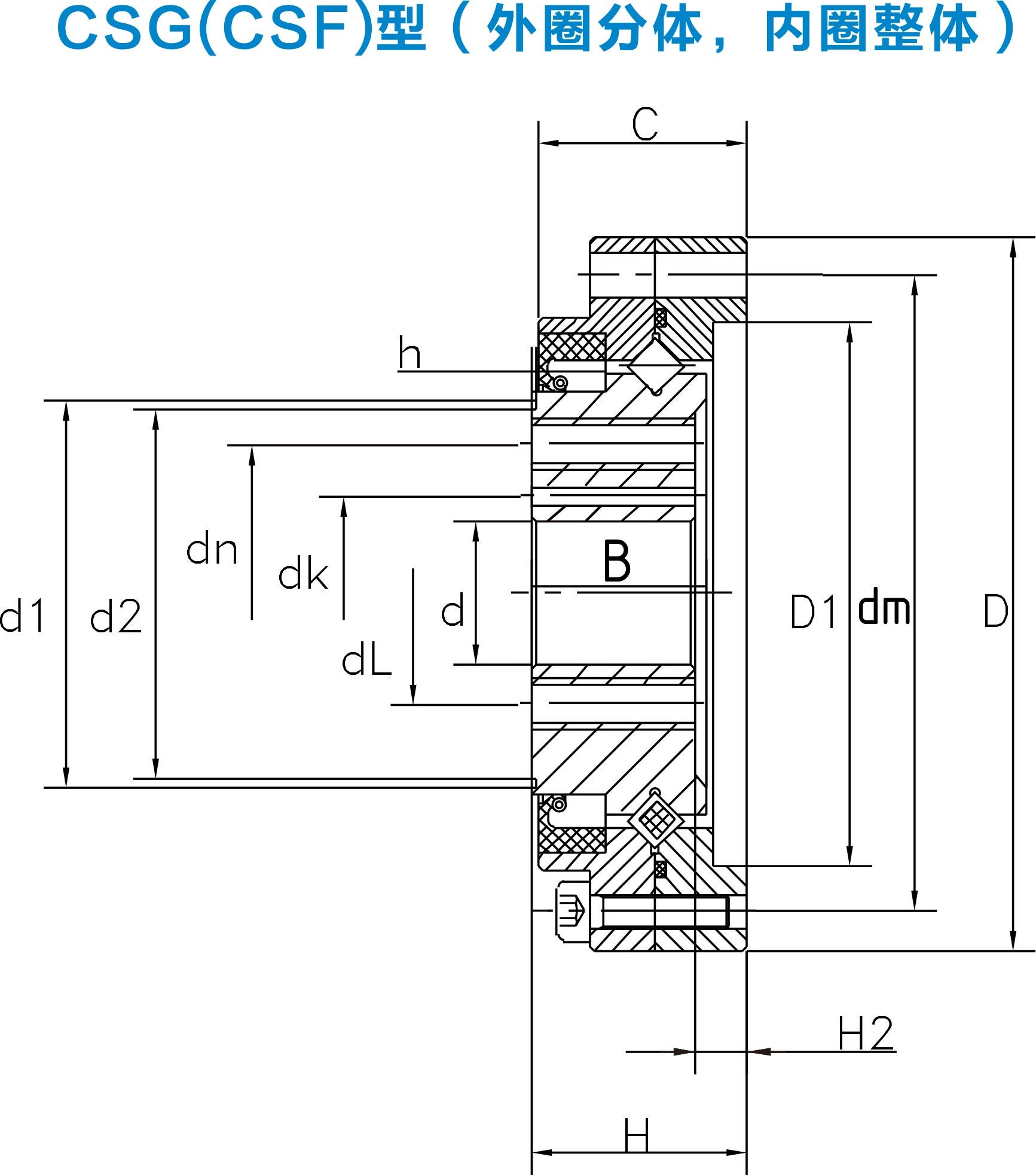
产品名称:CSG(CSF)系列
介绍:外圈被分成两片,内圈为整体结构,安装时不需要法兰和轴承座,主要应用在CSG和CSF系列的各类减速器输出部位。
参数:




谐波减速器轴承包括刚性轴承和柔性轴承两大类型,刚性轴承包含四种系列,CSG系列、SHG系列,其命名方式采用减速器的命名;柔性轴承的命名为HYR。
产品名称:CSG(CSF)系列
介绍:外圈被分成两片,内圈为整体结构,安装时不需要法兰和轴承座,主要应用在CSG和CSF系列的各类减速器输出部位。
参数:



