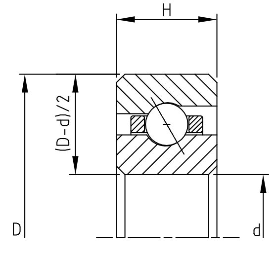
英制等截面薄壁角接触球轴承 所属分类:等截面薄壁轴承 发布时间:2022-08-22 英制等截面薄壁角接触球轴承 A型角接触球轴承与C型轴承不同之处在于A型轴承有足够的径向游隙,能形成足够的接触角来承受轴向载荷。由于具有单向载荷能力,该轴承需要与其它轴承对称配对安装,以设定并保证接触角,同时在受到交变的轴向载荷时使其轴向运动最小。 上一篇 : 公制等截面薄壁角接触球轴承 下一篇 : 公制等截面薄壁深沟球轴承